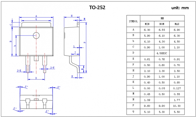
High V MOS TO-252-2L    

High Voltage Planar MOSFET TO-252

FEATURES:

  • Low Thermal Resistance 

  • Ultra Low Gate Charge

  • Low Crss

  • Fast Switching Capability

  • 100% Avalanche Tested

  •  Improved dv/dt Capability


APPLICATIONS:  

  • Switch Mode Power Supply(SMPS) 

  • Uninterruptedly power supply(UPS)

  • Power Factor Correction(PFC)

  • Charger


image.png

N-Channel


High Voltage Planar MOSFET.jpg

Leave Comment

Pre:Schottky Diode TO-263C    Next:High V MOS TO-220-2L

Related product