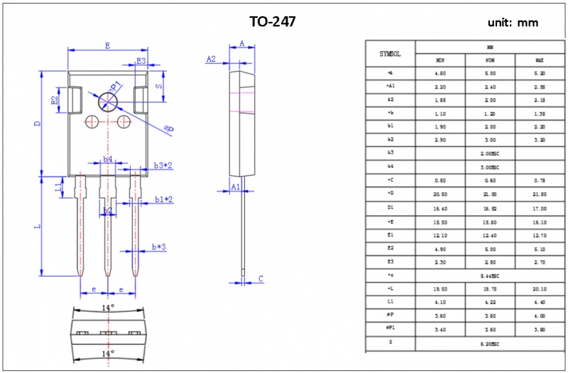
TVS TO-247-2L    

TVS-Transient Voltage Suppressor TO-247-2L

FEATURES:

  • Solid-state silicon-avalanche technology

  • Low clamping voltage

  • Low leakage current


APPLICATIONS:

  • Cellular Handsets and Accessories

  • Notebook and Handhelds

  • Portable Instrumentation

  • Industrial Controls

  • Server and Desktop PC

  • HDMI 1.3 & 1.4, USB 2.0 & 3.0 and MDDI ports

  • Set-top box and digital TV

  • Video graphics cards

  • Digital video interface(DVI)

  • PCI express and Serial SATA ports


image.png

             Uni-directional


image.png

Bi-directional


Leave Comment

Pre:SiC MOS TO-247-2L    Next:High V MOS TO-247S

Related product